您好,欢迎访问深圳市湾边贸易有限公司网站
国外工业品代购
深圳市湾边贸易有限公司
TEL:+86 0755 86216601
E-mail:info@wbsell.com

 Shenzhen Coastal Trading Co.,Ltd.

当前位置:
      
美国进口Winchester W1165-2量规

美国进口Winchester W1165-2量规

品牌:Winchester

型号:W1165-2
采购热线:0755-86216601      

                 13714972229



¥ 0.00
0.00
数量:
立即购买
加入购物车
  
商品描述

品牌:Winchester

型号:W1165-2
采购热线:0755-86216601      

                 13714972229




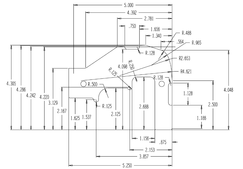
美国进口Winchester W1165-2量规

AAR-2A宽法兰钢轮的最小法兰厚度、高度和喉部半径量规

使用轮廓映射进行验证最大制造偏差与标称值:.003

与标称值的最大再认证偏差:.005

材料:

不锈钢17-7

厚度:1/B*

硬化

源自:深圳市湾边贸易有限公司,图文仅供参考。

注:本文章所有涉及到的产品公司名称、商标、LOG0、产品图片、产品说明、产品品牌名称等其商标版权等一切知识产权归对应品牌所有;在文章仅用于方便产品识别,发布内容如有侵权,请及时联系进行删除。

供应产品
SUPPLY PRODUCTS
        
地点:深圳市龙华新区观澜大道75号田背花园E单元806    ​

电话:86 0755 86216601   

传真:86 0755 86216602   

邮编:518110 

邮箱:info(at)coastaltrading.com.cn