Foresight Imaging AccuStream 1000图像采集卡产品描述:
AccuStream 1000 是 Foresight Imaging 的下一代高分辨率视频采集板。它专为高性能医学成像和国防成像应用而设计。
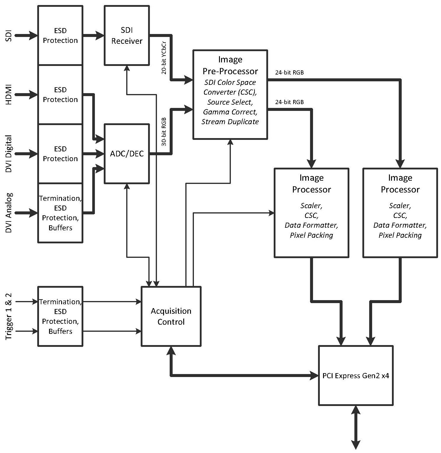
支持的视频格式包括 HDMI、DVI-D、RGBHV 模拟、单色和 SDI(仅在 Accustream 1000 SDI 上)。
分辨率高达 4 兆像素,包括高达 1080p 和 1920 x 1200 x 60 Hz。支持所有视频格式,
包括单色医学成像应用(例如透视和血管造影)中常见的所有非标准高分辨率格式。
AccuStream 1000 通过其 PCI Express 2.0 x4 接口提供极高的数据性能,
可实现 1.3 GB 的持续数据传输,以支持要求苛刻的高分辨率视频流应用,包括 60 fps 的高分辨率视频。
Foresight Imaging AccuStream 1000图像采集卡产品软件:
AccuStream 1000 由 Foresight Imaging 的旗舰自动配置软件 Auto-SYNC™ 支持。
Auto-SYNC 通过自动将 AccuStream 1000 配置为输入的标准或非标准视频信号,确保快速、简单的安装和图像捕获。
Auto-SYNC 自动分析传入的视频信号并构建配置文件。使用创建的配置文件或利用自动同步向导进行简单的逐步视频调整
AccuStream 1000 由 IDEA(应用成像开发环境)软件开发套件支持。通过使用 IDEA,
开发人员可以放心地知道他们可以编写一次应用程序,并且可以内置对整个 AccuStream 系列的支持。
包含 WDM 驱动程序和 TWAIN 驱动程序,以进一步简化 AccuStream 1000 的开发和使用。
通过 IDEA,提供 ActiveX 控件,以便于使用 Visual Basic、Visual C++ 和 Visual J++ 进行轻松开发。
IDEA 提供了大量的示例程序(带有源代码)。
示例程序的功能包括触发采集、视频流到 AVI 文件、与 Pegasus Imaging 压缩集成以进行流传输、叠加等等。
每个 AccuStream 1000 免费提供 Auto-SYNC、IDEA、示例程序和驱动程序。
视频流传输为 AVI 文件,与 Pegasus Imaging 压缩集成以实现流传输、叠加等。
每个 AccuStream 1000 免费提供 Auto-SYNC、IDEA、示例程序和驱动程序。
视频流传输为 AVI 文件,与 Pegasus Imaging 压缩集成以实现流传输、叠加等。
每个 AccuStream 1000 免费提供 Auto-SYNC、IDEA、示例程序和驱动程序。
Foresight Imaging AccuStream 1000图像采集卡应用领域:
AccuStream 1000 非常适合任何需要高分辨率和高性能成像的应用。
此外,由于支持所有流行的视频格式,AccuStream 1000 几乎可用于任何视频采集应用。
飞行模拟:从高分辨率模拟显示器获取。
医学成像:从任何医学成像设备获取。
显示监控:从高分辨率显示器获取。
军事成像:从高分辨率视频屏幕获取数据以进行指挥和控制。
多媒体:从任何 HDTV 或标清设备获取。
Foresight Imaging AccuStream 1000图像采集卡规格:
Foresight Imaging AccuStream 1000图像采集卡视频模拟:
视频输入:RGBHV、YPbPr、单色
非标准和标准视频分辨率和频率
输入范围:0.5 V 峰峰值至 1.0 V 峰峰值
偏移:-1.0 V 至 2.0 V DC
75 欧姆端接
增益、黑电平、白平衡、相位调整
交流耦合直流恢复
水平和垂直同步输入
带宽:150兆赫
像素速率:高达 165 MHz
水平频率:高达 105 kHz
像素分辨率:总面积高达 4 兆像素,包括高达 1080p 以及从 VGA 到 WUXGA(60 Hz 时为 1920 x 1200)
源自:深圳市湾边贸易有限公司,图文仅供参考。
注:本文章所有涉及到的产品公司名称、商标、LOG0、产品图片、产品说明、产品品牌名称等,其商标版权等一切知识产权归对应品牌所有;
在文章仅用于方便产品识别